Артикул: И8-80
вывод на печать
Описание товара
Высоковольтный фарфоровый опорный изолятор И8-80 УХЛ2 предназначен для:
- изоляции и механического крепления токоведущих частей (алюминиевых и медных шин) в электрических аппаратах и для монтажа токоведущих низковольтных шин в ячейках КРУ, КСО, шкафах и внутри помещений или снаружи под навесом;
- комплектации выключателей и разъединителей внутренней установки;
- комплектации шинодержателей на нагрузку 8 кН;
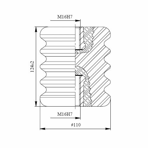
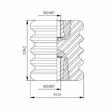
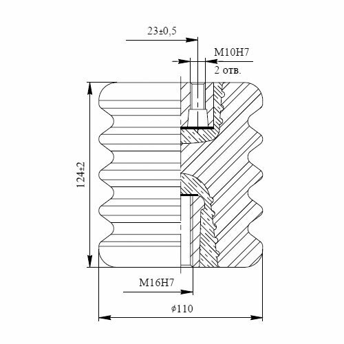
Изолятор выпускаются в трех вариантах исполнения в зависимости от количества и расположения крепежных отверстий: Изолятор И8-80 I УХЛ, Т2, И8-80 II О2, И8-80 III УХЛ2.
Изолятор И8-80 I УХЛ, Т2, И8-80 II О2, И8-80 III УХЛ2

Авторизуйтесь, чтобы оставить комментарий